“CG2-11D”自動管道切割機是經過對管路安裝工作現場的實際情況進行徹底調查的基礎上研制出的一種小型管子自動切割機。本機在切割具體長度規格不一的各種管子和進行坡口切割(這是管子加工中主要進行的工作)時,表現出極佳的性能。本機采用電機變速驅動具有切割圓周精度高,運行平穩等特點。它采用鏈節鎖緊管子,并可根據管徑的大小隨意增減鏈條,操作方便靈活。本機采用鋁合金制成,輕巧便攜;內部結構設計合理;外表美觀大方。縱上所述,本機受到廣大用戶的青睞。

|
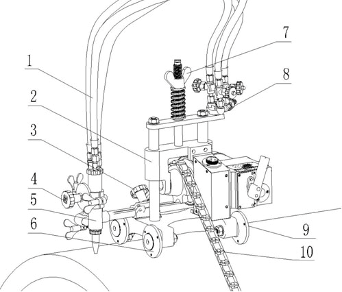
1.軟管:在氣體分配器與割炬之間安裝,三條所管分別用于預熱氧、快氧和切割氧,可合并為一套。 |
|
|
2.滑動之架 3.橫向進給旋鈕:改變割炬水平位置 4.割炬升降手輪:調節割炬高度。 5.割炬:切割厚度:5~50mm 6.滾輪:通過四只滾輪使機器在管壁平穩運行 7.大翼形螺母:擰緊該旋鈕,將逐漸收緊鏈條,可使機器牢固的固定在管子上。 8.氣體分配器:可將氣體分為預熱氧、快氧、切割氧 9.離合器分離桿:可用于控制裝置運行。 10.主體部件 11.鏈條:裝置沿導軌方向隨鏈條傳動而運行 |
|
技術規格
|
1.重量(主體部件) |
:16千克 |
|
附件 |
:7.8千克 |
|
2.裝置尺寸 |
:280毫米×280毫米×450毫米 |
|
3.電源 |
:交流 220V±10% |
|
4.切割速度 |
:50~1150mm/min |
|
5.切割厚度 |
:5-50mm |
|
6.坡口角度 |
:0-45度 |
|
7.切割圓管直徑 |
:ø150-ø600mm(標準配置) |
|
8.割嘴 |
:G02(適用于乙炔),G03(適用于丙烷) |
|
9.電機 |
:70ZYT08 85W 轉速6000r/min |
|
附件: |
|
|
割嘴清理器 |
1 套 |
|
鏈條(82個鏈節) |
1 套 |
|
電器箱 |
1 個 |
|
鈑手 |
1 套 |
|
保險絲 |
2 根 |
|
注:機器附帶的鏈長節數可切割直徑600mm的鋼管,如有大于600mm的管子鏈條數量需增加,則用戶可另外購買。 |
|
裝箱單
將裝置小心地從包裝箱中取出。
首先,檢查各部件以確認其完整無缺。
下列為應收的標準單割炬配置零部件清單。
|
1.主機 |
1臺 |
|
|
2.割炬總成 |
1套 |
|
|
3.割炬連接器 |
1只 |
|
|
4.電器箱 |
1個 |
|
|
5.割嘴清理器 |
1套 |
|
|
6.割嘴( 根據需求任選一種) |
1)G02(適用于乙炔) |
3個 |
|
2)G03(適用于丙烷) |
3個 |
|
|
7.鏈條82節 |
1套 |
|
|
8.保險絲(2A) |
2根 |
|
|
9.說明書,合格證 |
各1份 |
|